Top

冷室壓鑄機

CH Series / CF Series / V Series

 

完整壓鑄解決方案 - 客製化系統、整廠規劃、整合式生產

TBC 提供全方位冷室鋁合金壓鑄(HPDC)設備,具備卓越性能、操作簡便與長期耐用的優勢。我們的機台專為以下特點而設計:

⚡️ 快速週期,穩定高效能表現
⚙️ 穩定且高效率的運作,提升產能
🔧 簡易維護與操作,降低停機時間
🎯 高品質且優良的鑄件產品
💰 經濟實惠且耐用持久的表現


無論擴大生產規模,還是優化現有製程,TBC 都是您值得信賴的壓鑄技術合作夥伴。我們擁有多年的經驗與穩定可靠的品質,為您提供不只是機器,更是符合需求的完整壓鑄解決方案

CH series cold chamber aluminum die casting machines

冷室壓鑄機CH系列

新一代智慧型高端機種

CH 系列採用進口節能系統,低速比例閥,多段速射出的控制精度優於傳統的多段速射出。適用於氣密性鑄件。

  • 進口節流、雙壓雙缸。
  • 高速射出 8m/ sec. ,高速加速 80G。
  • 最完整數據管理:標配鎖模力顯示、爐溫顯示介面、油溫警報、不良品檢知等多種輔助系統,內建500組模具參數儲存。
  • 搭配高端週邊機:連桿式給湯機和伺服噴霧機,使整體生產效率提升且低故障率。

C Type

Standard Type

Link Type

履歷監視

  • 雙壓雙缸:雙油壓系統和獨立增壓蓄壓器,可單獨射定增壓壓力更穩定高速及增壓性能,提供最穩定和耐用的射出表現,特別適用於 500 噸以上中大型機台。
  • 進階多段射出:全新液壓迴路設計,採用德國高階比例閥,精確控制低速多段射出,並使用全速域進口節流控制, 降低鑄件沙孔率,適用於耐壓產品及層流壓鑄。進階多段射出也是 TBC CH 型號壓鑄機的標準配備。有了這個功能,即使是高難度的模具,其產品品質和機器的產量和性能也不遜於日本壓鑄機。
  • 節能系統:採用德國製艾可勒幫浦和全新設計電路系統,專門設計的電路可降低耗電量30%。(選配)

雙壓雙缸

節流系統

  • 真空系統介面。
  • 擠壓專用迴路。
  • 15 吋加大觸控螢幕:方便操作者設定參數。
  • 數位鎖模力顯示:鎖模力顯示為 CH 系列機種標準配備,結合射出資料,可設定上下限以保護機臺及模具。
  • 捨打模式設定:暖機時可在自動生產狀態下,以時間來設定強制低速射出次數,避免模具太冷時,高速射出而產生噴模的危險發生。
  • 不良品檢知:可設定壓力上下限,監控每一模次射出時是否在範圍內,超出範圍自動給予警報或停機設定。
  • 先進的電控功能:除了射出數據升級,模具參數儲存擴展到 1,000 筆。

數位鎖模力顯示

捨打模式

  • 作動油過濾設備
  • 自動拆大柱機構:操作簡易,更換模具快速便利。
  • 加強板:防止模板長期使用變形、更換容易。
  • 快速換模系統:使用特製油壓夾具,上下模具快速安全,控制及操作還可整合在尚富壓鑄機電控中。
  • 全自動安全門:採用變頻器控制馬達系統,穩定度更勝傳統空壓系統。配合機台作動生產時自動開關安全門,操作側及反操作側皆可安裝。
  • 遠端生產數據:可透過手機APP、筆電遠端監控並蒐集詳細的生產資料:低速、高速、增壓壓力、循環時間等相關客製化數據。
  • 中子選配:根據各噸數機種,可額外增加中子數量。
  • 固定式側噴霧:150~350噸,加強模具特定角度噴霧效果。

遠端數據蒐集系統

節能系統

中子可選配

全罩式自動安全門

快速換模系統

固定式側噴霧

Piston Type Accumulator

活動模板加強板

操作側自動拆大柱機構(適用500ton. 以上機種)

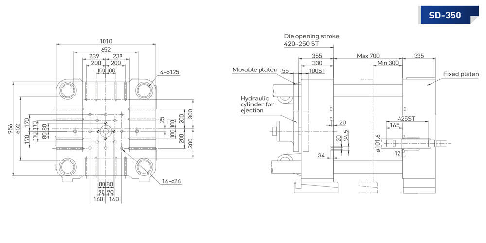
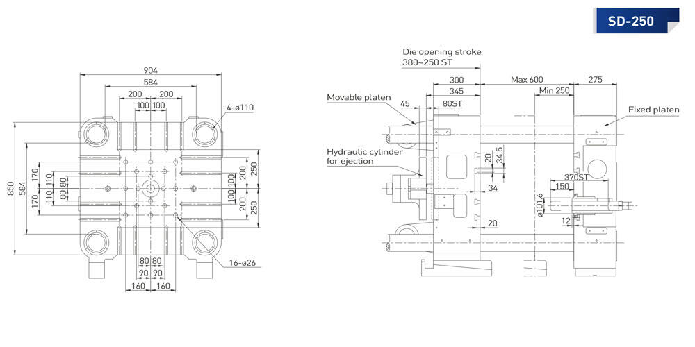
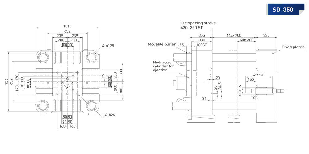
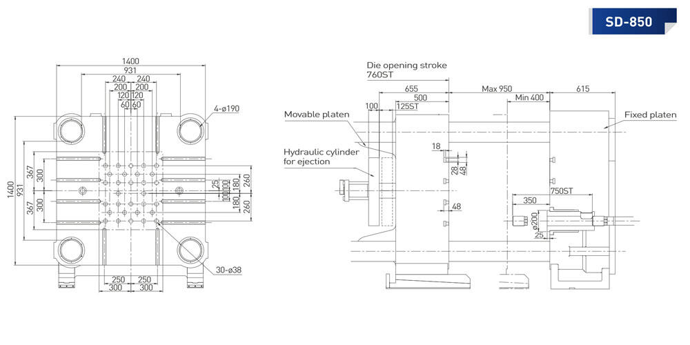
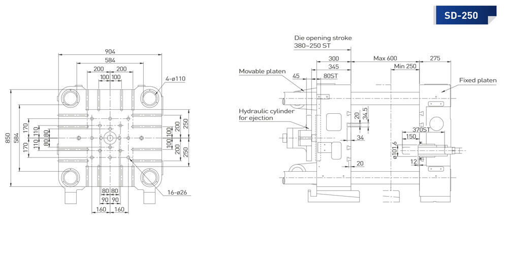
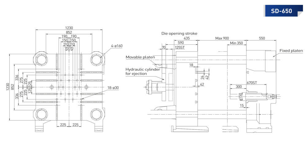
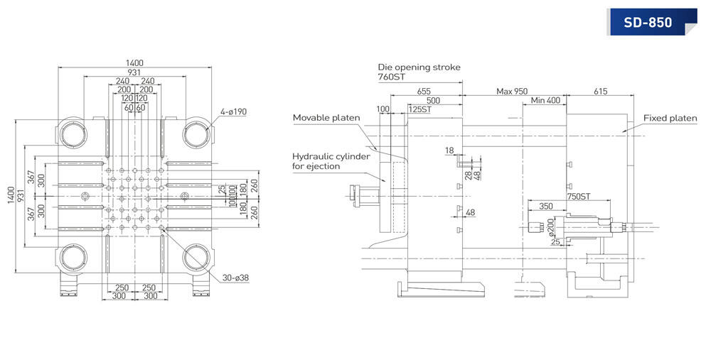
項目單位SD-250 CHSD-350 CHSD-500 CHSD-650 CHSD-850 CH
關模力KN25003500500065008500
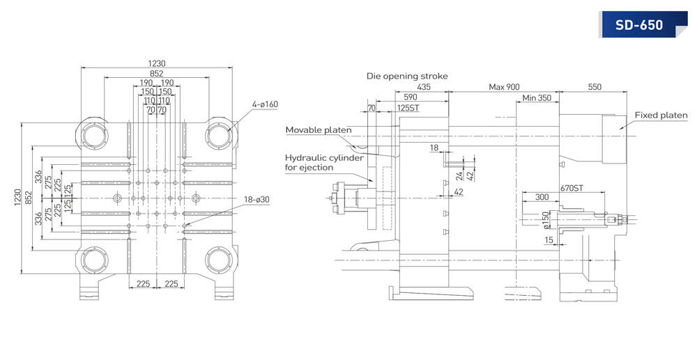
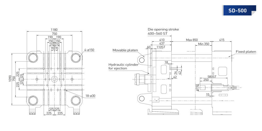
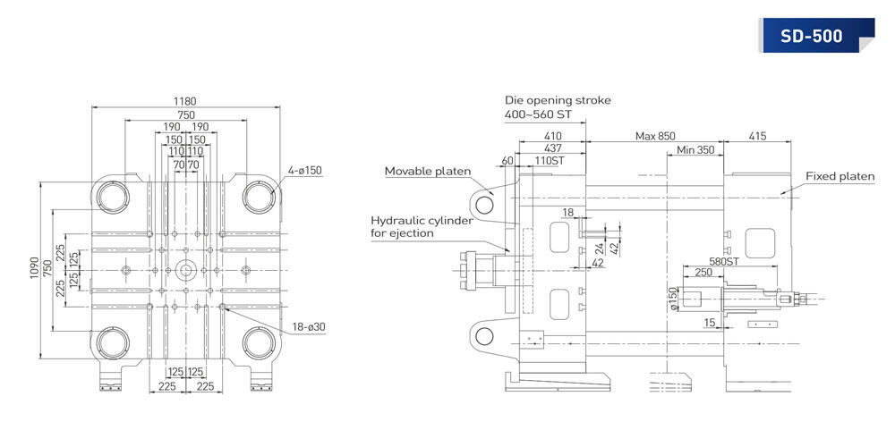
模板尺寸mm850x9041010x10101090x11801230x12301400x1400
大柱間隔mm584x584652x652750x750852x852931x931
大柱直徑mm110125150160190
開模行程mm380420560660760
模厚行程mm250~600300~700350~850350~900400~950
中子電磁閥Piece3/8"x1 | 3/8"x23/8"x1 | 3/8"x21/2"x21/2"x31/2"x3
中子接頭Set1/2"x2 | 1/2"x31/2"x2 | 1/2"x33/4"x33/4"x53/4"x5
射出力KN265354506550653
射出行程mm370425580670750
射出突出量mm150165250300350
射出位置mm-125-150-175-175-250 or -275
空射速度M/S6 | 76 | 7 | 86 | 7 | 86 | 7 | 86 | 7 | 8
柱塞頭直徑mmMin. 50
Sta. 60 | Max. 70
Min. 60
Sta. 70 | Max. 80
Min. 70
Sta. 80 | Max. 90
Min. 70
Sta. 80 | Max. 90
Min. 80
Sta. 90 | Max. 100
最大鑄造壓力Mpa132.8 | 92.3 | 67.7109.9 | 80.6 | 61.7117.7 | 90 | 71.1140.5 | 107.7 | 85.1130 | 102.8 | 83.1
鑄造面積cm²184 | 265 | 361
287 | 413 | 563
312 | 425 | 555
485 | 661 | 864
416 | 544 | 688
624 | 816 | 1033
462 | 604 | 764
582 | 760 | 962
653 | 826 | 1022
904 | 1144 | 1414
實射重量Kg1.40 | 2.02 | 2.752.35 | 3.20 | 4.184.35 | 5.68 | 7.195 | 6.6 | 8.37.3 | 9.2 | 11.4
押出力KN123.5190.1259.7300340
押出行程mm80100110125125
油壓馬達kw18.522.5373745
作動油容量L370480700800860
作動油冷卻水量L/min25258080150 - 180
模具冷卻水量L/min25-5025-5050-9050-90150
機械重量ton9.412.8233050
機械尺寸mm5613x1650x26166275x1835x29757590x2065x33458046x2335x34139990x2450x3556
型號250 CH350 CH500 CH650 CH850 CH
控制系統 (CONTROLLER PART)
彩色觸控螢幕
異常訊息顯示
射出條件計算
螢幕畫面列印
開關模部 (PLATEN PART)
一循環監視時間設定
潤滑模開次數設定
押出行程螢幕設定
活動模底部調整機構
曲肘部自動潤滑系統
操作側上方抽大柱裝置XX
中子部 (CORE PART)
中子定位計時器控制選擇
射出時中子壓力選擇
移動中子 1
移動中子 2
固定中子 3 選配
移動中子 1&2 減壓閥
固定中子 3 減壓閥
射出部 (INJECTION PART)
射出關門電動控制
射出曲線顯示
鑄造條件儲存
射出速度顯示
射出壓力顯示
射出資料履歷顯示
射出突出設定
射出真空位置設定
料管二次清掃設定
柱塞潤滑間隔次數設定
射出行程位置螢幕設定
射出偵測非接觸式控制
增壓壓力調整
油壓冷卻 (HYDRAULIC & COOLING)
作動油油溫警報
作動油油位下限警報
冷卻器加大樣式XXX
自動洩壓裝置
油壓過濾系統
安全裝置 (SAFETY PART)
手動安全門
全罩式自動安全門
反操作側安全橫板(不搭配取出機)
緊急停止按鈕 2 只
其他 (OTHERS)
節電省能源系統
鎖模力偵測
快速換模系統
擠壓專用迴路
活動模板加強板
週邊機 (AUXILIARIES)
給湯機湯量計算
給湯待機計時自動調整
杓子下降汲湯姿勢選擇
湯量設定螢幕輸入
取出機模厚行程電動調整
噴霧機模厚行程電動調整
噴霧機昇降移動噴霧
噴霧公、母模各別設定
中子噴霧順序設定
全自動高周期選擇設定
● Standard    ○ Option    X Not Available
查看更多
CF series cold chamber aluminum die casting machines

冷室壓鑄機CF系列

優越鑄造能力之高速機種

節約能源、生產快速、簡易操作、品質穩定、多樣備全的控制功能、完整生產監管輔助

- TBC 尚富工業鋁合金冷室壓鑄機,CF 系列機種

- 先進高產能機種、數據管理、快速產能最佳選擇

- 高速射出達 7m/ sec、高速加速 60G

- 150CF Cycle time : 14 sec.

  • 射出閥門電動控制,射出壓力及速度偵測,可顯示實際值及射出曲線,射出條件可模擬計算。
  • 鑄造條件參數可儲存300組,與射出履歷頁面,可藉由USB介面儲存管理。
  • 射出位置採非接觸式偵測器控制,高速射出邏輯閥背壓消除裝置提高射出反應速度。
  • 中子定位可選擇限動開關或計時器控制。
  • 250 噸以上皆採用雙蓄壓器設計,減少壓降且補壓快速,射出更加穩定。
  • 高速射出背壓消除裝置提高反應速度,低速轉高速僅需 0.012 秒。

背壓消除裝置

CF射出部位特色

射出曲線

射出條件計算

射出履歷

  • 真空系統介面
  • 鎖模力偵測
  • 擠壓專用迴路
  • 作動油過濾設備
  • 低速五段射出,降低鋁湯噴濺及捲氣,提升鑄件氣密性。

中子可選配

液壓油油面檢知

全罩式自動安全門

快速換模系統

節電省能源系統

固定式側噴霧

活動模板加強板

操作側自動拆大柱機構(適用500ton. 以上機種)

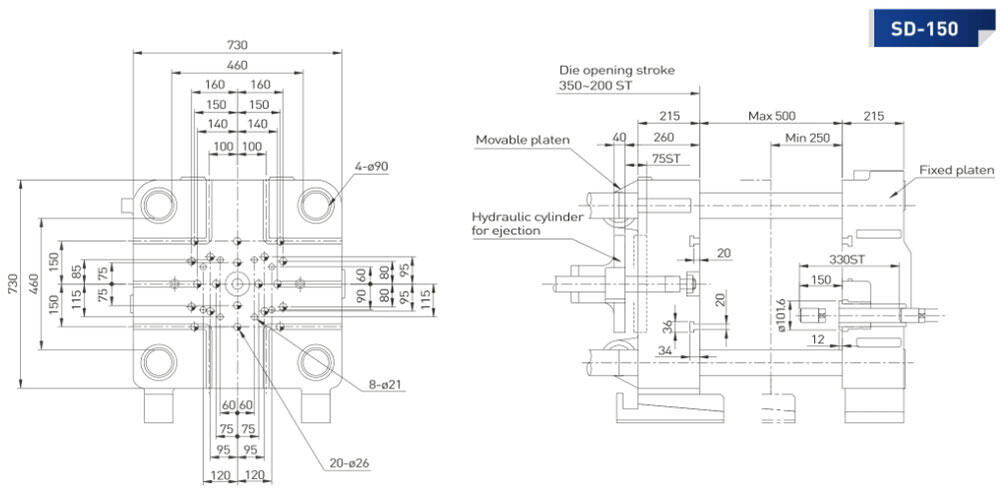
項目單位SD-150 CFSD-180 CFSD-280 CFSD-420 CFSD-580 CFSD-730 CFSD-900 CF
關模力KN1500180028004200580073009000
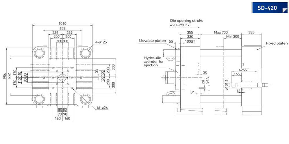
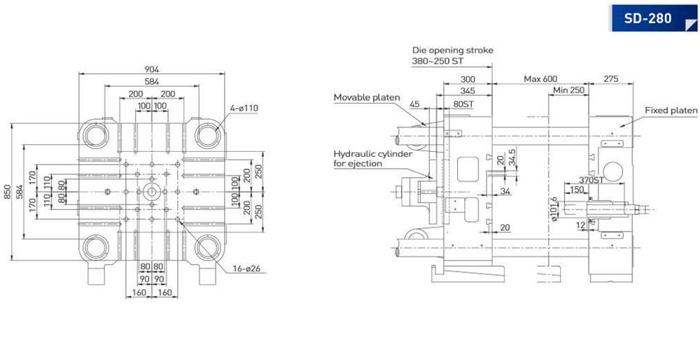
模板尺寸 (HxW)mm730x730790x790850x9041010x10101090x11801230x12301400x1400
大柱間隔mm460x460482x482584x584652x652750x750852x852931x931
大柱直徑mm9090110125150160190
開模行程mm350350380420560660760
模厚行程mm250~500250~500250~600300~700350~850350~900400~950
中子電磁閥Piece3/8"x13/8"x23/8"x1 | 3/8"x23/8"x1 | 3/8"x21/2"x21/2"x31/2"x3
中子接頭Set1/2"x21/2"x21/2"x2 | 1/2"x31/2"x2 | 1/2"x33/4"x33/4"x53/4"x5
射出力KN182182265354506550653
射出行程mm330330370425580670750
射出突出量mm150150150165250300350
射出位置mm-100-100-125-150-175-175-250 or -275
空射速度M/S6 | 76 | 76 | 7 | 86 | 7 | 86 | 7 | 86 | 7 | 87 | 8
柱塞頭直徑mmMin. 45
Sta. 50 | Max. 60
Min. 50
Sta. 60 | Max. 70
Min. 50
Sta. 60 | Max. 70
Min. 60
Sta. 70 | Max. 80
Min. 70
Sta. 80 | Max. 90
Min. 70
Sta. 80 | Max. 90
Min. 80
Sta. 90 | Max. 100
最大鑄造壓力Mpa110.288.9 | 61.7132.8 | 92.3 | 67.7109.9 | 80.6 | 61.7117.7 | 90 | 71.1140.5 | 107.7 | 85.1130 | 102.8 | 83.1
鑄造面積cm²133
207
165 | 238
257 | 370
184 | 265 | 361
287 | 413 | 563
312 | 425 | 555
485 | 661 | 864
416 | 544 | 688
624 | 816 | 1033
462 | 604 | 764
582 | 760 | 962
653 | 826 | 1022
904 | 1144 | 1414
實射重量 (鋁)Kg0.921.16 | 1.671.40 | 2.02 | 2.752.35 | 3.20 | 4.184.35 | 5.68 | 7.195 | 6.6 | 8.37.3 | 9.2 | 11.4
押出力KN100.9100.9123.5190.1259.7300340
押出行程mm808080100110125125
油壓馬達kw151518.522.5373745
作動油容量L360360370480700800860
作動油冷卻水量L/min252525258080150-180
模具冷卻水量L/min25-5025-5025-5025-5050-9050-90150
機械重量ton559.412.8233050
機械尺寸mm4820x1520x25854820x1520x25855613x1650x26166275x1835x29757590x2065x33458046x2335x34139990x2450x3556
機械型號150 CF180 CF280 CF420 CF580 CF730 CF900 CF
控制選項 
彩色觸控螢幕
異常訊息顯示
射出條件計算
螢幕畫面列印
週邊機 
給湯機湯量計算
給湯待機計時自動調整
杓子下降汲湯姿勢選擇
湯量設定螢幕輸入
取出機模厚行程電動調整
噴霧機模厚行程電動調整
噴霧機昇降移動噴霧
噴霧公、母模各別設定
中子噴霧順序設定
全自動高周期選擇設定
  • 電控強化:3000 組射出履歷及 300 組鑄造參數,皆可透過 USB 擴充。
  • 輔助生產系統:內建捨打模式、射出條件試算、射出閥門開度壓力顯示、中子計時控制等。
  • 智慧監視系統:搭配射出履歷、不良品檢知、油溫警報、油位異常通知等多種監控系統。

智慧監控系統

輔助生產系統

模板1
模板2
模板3
模板4
模板5
查看更多
V series cold chamber aluminum die casting machines

冷室壓鑄機V系列

經濟、耐用、穩定

獨特的氣缸注射和精緻的電路設計,注射速度為 5m/sec。
內置頂出器,便於更換模具。控制器的直觀和符合人體工程學的UI設計。

  • 獨特的氣缸注射:
    採用雙氣缸注射機構和精心設計的電路,注射速度可達 5m/s。
  • 自動潤滑系統:
    自動潤滑系統準確徹底地供油,確保流暢的驅動而不會卡住。
  • 手輪可調注射閥,帶精確的壓力顯示指標
  • 背壓釋放裝置:
    用於高速注射模式的背壓釋放裝置可加快響應時間並提高注射速度,以實現快速注射衝程。
  • 液壓油溫度通報器
  • 3 階段注射
  • LS 的注射行程設置
  • 可移動壓板調整
  • 液壓模具厚度調整
  • 單滑安全門

獨特的氣缸注射

自動潤滑系統

背壓消除装置

  • 控制器的直觀和符合人體工程學的UI設計。
  • 在介面中完全控制壓鑄參數。
  • 清晰顯示所有 I/O 檢測數據。
  • 可保存 100 組鑄造條件參數數據。
  • 異常消息讓您有哪些問題告警。
  • 柱塞尖端潤滑裝置

中子1

項目單位SD-150VSD-280VSD-420V
開關模單元關模力KN150028004200
模板尺寸MM730x730850x904956x1010
大柱間隔MM460x460584x584652x652
大柱直徑MM90110125
開模行程MM350380420
模厚行程MM250~500250~600300~700
中子電磁閥PIECEOptionOptionOption
中子接頭SETOptionOptionOption
射出單元射出力KN182265354
射出行程MM330370425
射出突出量MM150150165
射出位置MM-100-125-150
空射速度m/s566
柱塞頭直徑MMMin. 45 | Sta. 50 | Max. 60Min. 50 | Sta. 60 | Max. 70Min. 60 | Sta. 70 | Max. 80
最大鑄造壓力MPA114.6 | 91 | 64135.4 | 94.1 | 69.1109.9 | 80.6 | 61.7
鑄造面積CM²128 | 159 | 229
207 | 257 | 370
180 | 260 | 354
361 | 525 | 710
312 | 425 | 555
485 | 661 | 864
 實射重量KG0.92 | 1.16 | 1.671.40 | 2.02 | 2.752.35 | 3.20 | 4.18
押出單元押出力KN100.9123.5190.1
押出行程MM8080100
其他油壓馬達KW1518.522.5
作動油容量L360370480
作動油冷卻水量L/MIN303025
模具冷卻水量L/MIN30~6030~6025~50
機器重量TON69.412.8
機器尺寸MM4820x1520x25855613x1650x26166275x1835x2975
機械型號150 V280 V420 V
控制器部分
彩色觸控螢幕
警報顯示
模板部分
切換自動潤滑系統
尖端柱塞潤滑系統
中子部分
移動中子1
安全部分
手動安全門
全罩安全門
非操作員側安全圍欄 (未安裝自動取出機)
緊急停止
其他
活動模板加強板
● 標準    ○ 選配
查看更多